Startseite

BOCCHIOTTI S.P.A. - IBOB00670 T1 15X18 G CAN.CABL.

KopierenKopieren

Melden Sie sich an, um Preise und Verfügbarkeit anzuzeigen

Haupteigenschaften

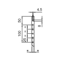
  • Höhe - 18 mm

  • Breite - 15 mm

  • Farbe - grau

  • Befestigungsart - Bodenlochung

  • Halogenfrei - nein

Packung

  • 72 M

EAN

8015892006704

Artikelnummer

IBOB00670

Herstellernummer

B00670

Hersteller

HBO

Höhe:

18 mm

Breite:

15 mm

Farbe:

grau

Befestigungsart:

Bodenlochung

Halogenfrei:

nein

Ausführung der Seitenwand:

geschlitzt

Schlitzabstand:

7.5 mm

Länge:

2000 mm

Mit Oberteil:

ja

Schlitzbreite:

5 mm

Selbstverlöschend:

ja

Flexibel:

nein

Nutzbarer Querschnitt:

200 mm²

T1 15x18 G Canaletta per cablaggio modulo 12,5 feritoia 5 GRIGIO