Startseite

DEHN ITALIA S.P.A. - DEH953400 DEHNRAIL DR M 4P 255

KopierenKopieren
DEHN ITALIA S.P.A. - DEH953400 DEHNRAIL DR M 4P 255

Melden Sie sich an, um Preise und Verfügbarkeit anzuzeigen

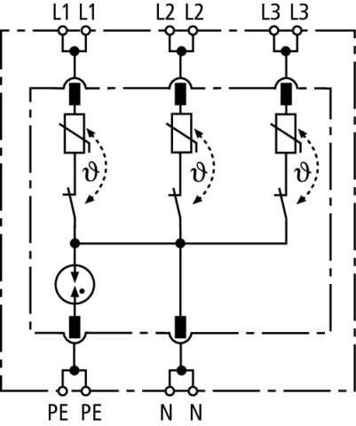
Haupteigenschaften

  • Nennspannung AC - 230 V

  • Nennlaststrom - 25 A

  • Montageart - Hutschiene TH35

  • Höchste Dauerspannung AC - 255 V

  • Polzahl - 4

Packung

  • 1 ST

EAN

4013364115767

Artikelnummer

DEH953400

Herstellernummer

953400

Hersteller

DEH

Nennspannung AC:

230 V

Nennlaststrom:

25 A

Montageart:

Hutschiene TH35

Höchste Dauerspannung AC:

255 V

Polzahl:

4

Nennableitstoßstrom (8/20) (L-N):

3 kA

Gesamtableitstoßstrom (8/20) (L+N-PE):

8 kA

Mit Fernmeldekontakt:

nein

Gesamtableitstoßstrom (8/20) (L1+L2+L3+N-PE):

8 kA

Prüfklasse Typ 3:

ja

Schutzpegel L-N:

1 kV

Schutzpegel L-PE/N-PE:

1.5 kV

Schutzart (IP):

IP20

Max. Leiterquerschnitt starr (ein-/mehrdrähtig):

4 mm²

Max. Leiterquerschnitt flexibel (feindrähtig):

2.5 mm²

Signalisierung am Gerät:

optisch

Mit Entstörfilter:

nein

Limitatore di sovratensione tetrapolare DEHNrail modular, Tipo 3 sec. CEI EN 61643-11, composto da elemento base e modulo di protezione innestabile. bestehend aus Basiselement und gestecktem Schutzmodul. Elevata capacità di scarica tramite combinazione di potenti varistori all'ossido di zinco / spinterometri. Per la protezione di reti di alimentazione da sovratensioni transienti in quadri elettrici. di apparecchi industriali transitorie in quadri elettrici. Per l'impiego nel concetto di protezione da fulminazione a zone, ai passaggi 1 - 2 e maggiori.