ELCART DISTRIBUTION - ERT020007400 CA9PV10-470KA2020

Melden Sie sich an, um Preise und Verfügbarkeit anzuzeigen
Packung
50 ST
EAN
8001021850355
Artikelnummer
ERT020007400
Herstellernummer
020007400
Hersteller
ERT
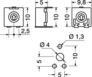
TRIMMER A STRATO DI CARBONE ACP 10x10 MONTAGGIO ORIZZONTALE REGOLAZIONE VERTICALE ROTORE CON TAGLIO PER CACCIAVITE. MAX POT. A 40°C:0,15 W. MAX TENS.:200 VCC. ANG. ROTAZIONE: 240° ± 5 °. TOLLERANZA:±20%. TEMP. LAV.:25°C ÷+70°C. CURVA:lineare. PASSO:5x10mm. CA9PV10-470KA2020.



