ELCART DISTRIBUTION - ERT020106200 POTEN. 0,25W LIN S.I. 6MM 10 KOHM

Melden Sie sich an, um Preise und Verfügbarkeit anzuzeigen
Packung
10 ST
EAN
7449073081708
Artikelnummer
ERT020106200
Herstellernummer
020106200
Hersteller
ERT
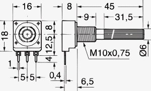
POTENZIOMETRI A STRATO Dl CARBONE A VARIAZIONE LINEARE. Completamente isolati senza interruttore. Terminali per C.S. albero in adixite Ø 6 mm. Montaggio orizzontalePOTENZA A 40°C:0,25 W. TOLLERANZA:20% fino a 470K. 30% da 1,0M a 2,2M. TEMP. LAV.:-25°C÷+70°C. ANG. MECC.:300°±5°. MANOP.:15/1000 - 15/7000. Resistenza: 10 KOHM.



