FINDER S.P.A. - FIN94040SMA ZOCCOLO CON MORSETTI A BUSSOLA 4P S.55/8

Melden Sie sich an, um Preise und Verfügbarkeit anzuzeigen
Haupteigenschaften
Ausführung des elektrischen Anschlusses - Schraubanschluss
Montageart - Hutschiene TH35
Mit abnehmbaren Klemmen - nein
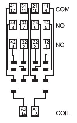
Anzahl der Pins - 14
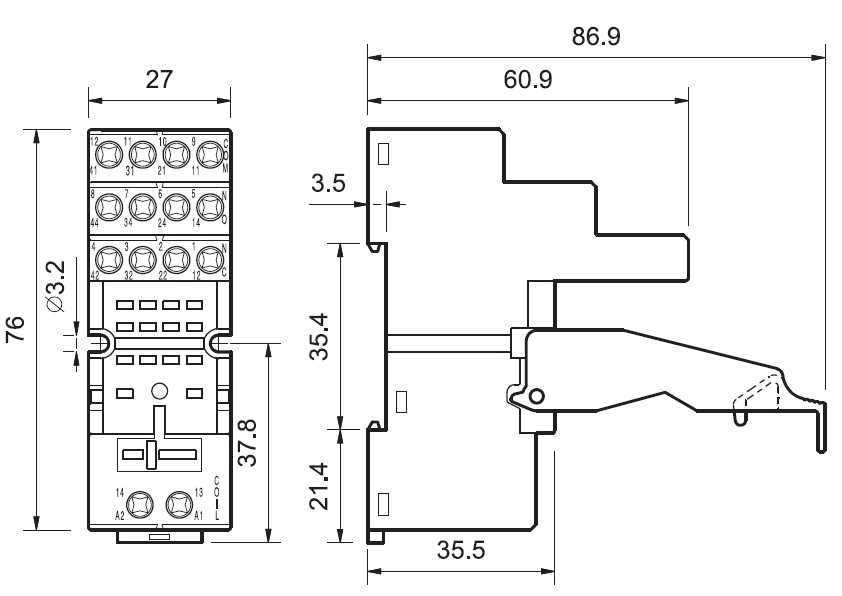
Breite - 27 mm
Packung
10 ST
EAN
8012823258928
Artikelnummer
FIN94040SMA
Herstellernummer
94040SMA
Hersteller
FIN
Ausführung des elektrischen Anschlusses:
Schraubanschluss
Montageart:
Hutschiene TH35
Mit abnehmbaren Klemmen:
nein
Anzahl der Pins:
14
Breite:
27 mm
Höhe:
76 mm
Tiefe:
35.5 mm
Zoccolo con morsetti a bussola Montaggio: barra cieca 35 mm (A): 10 Colore: Nero Grado di protezione: IP 20 Accessori: Ponticello metallico o plastico;pettine 6 poli;moduli temporizzatori;moduli di segnalazione e protezione EMC




