FINDER S.P.A. - FIN9505SPA ZOCCOLO MORSETTI BUSSOLA 1-2P S.40/41/4

Melden Sie sich an, um Preise und Verfügbarkeit anzuzeigen
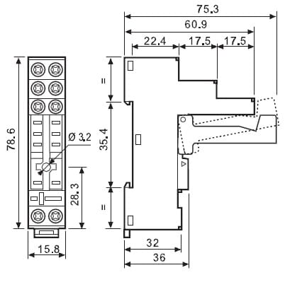
Haupteigenschaften
Ausführung des elektrischen Anschlusses - Klammeranschluss
Montageart - Hutschiene TH35
Mit abnehmbaren Klemmen - nein
Anzahl der Pins - 8
Breite - 78.6 mm
Packung
1 ST
EAN
8012823115450
Artikelnummer
FIN9505SPA
Herstellernummer
9505SPA
Hersteller
FIN
Ausführung des elektrischen Anschlusses:
Klammeranschluss
Montageart:
Hutschiene TH35
Mit abnehmbaren Klemmen:
nein
Anzahl der Pins:
8
Breite:
78.6 mm
Höhe:
76 mm
Tiefe:
15.8 mm
Zoccolo con morsetti a bussola Montaggio: barra cieca 35 mm (A): 10 Grado di protezione: IP 20 Accessori: Moduli di segnalazione e protezione EMC;pettine 8 poli;moduli temporizzatori;ponticello plastico




