ITALWEBER SPA - ITW1510250 FUS NH1 KTF GG 250A 500V

Melden Sie sich an, um Preise und Verfügbarkeit anzuzeigen
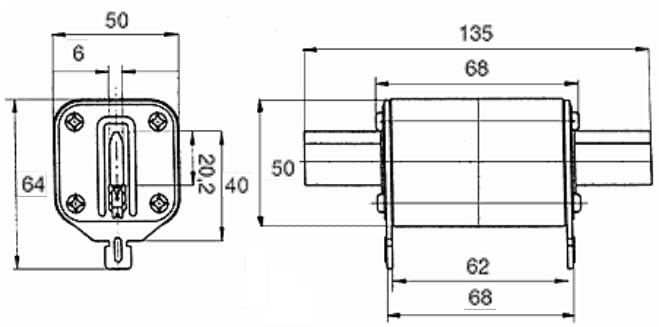
Haupteigenschaften
Sicherungs-Baugröße nach IEC 60269 - NH1
Bemessungsstrom - 250 A
Betriebsklasse - gG (Ganzbereichs-Leitungsschutz/Ganzbereichs-Geräteschutz)
Ausführung Kennmelder - Kombikennmelder
Packung
1 ST
EAN
8024873050681
Artikelnummer
ITW1510250
Herstellernummer
1510250
Hersteller
ITW
Sicherungs-Baugröße nach IEC 60269:
NH1
Bemessungsstrom:
250 A
Betriebsklasse:
gG (Ganzbereichs-Leitungsschutz/Ganzbereichs-Geräteschutz)
Ausführung Kennmelder:
Kombikennmelder
Corpo in steatite ad alta resistenza termica e meccanica. Gli elementi fusibili di rame o rame argentato sono saldati alle lame di contatto, inseriti nel corpo fusibile chiuso con guarnizioni e placche di aggancio, il tutto è riempito con sabbia di quarzo. I fusibili NH Kombi sono dotati di doppio dispositivo di segnalazione intervento posto nella parte centrale e nella parte superiore. Potere di interruzione: 100/120kA. Fusibili NH kombi e NH/I 500V - TIPO gG. Grandezza: NH-1



