LOVATO - LOVDM3T0500 TRASF. AMP. 500/5A D30MM PRIM. PASSANTE

Melden Sie sich an, um Preise und Verfügbarkeit anzuzeigen
Haupteigenschaften
Ausführung - Durchsteckstromwandler
Primärer Bemessungsstrom In - 500 A
Sekundärer Bemessungsstrom - 5 A
Sekundäre Bemessungsscheinleistung - 5 VA
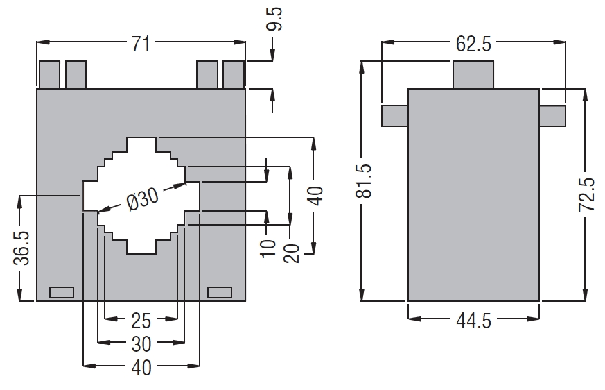
Öffnungsdurchmesser - 30 mm
Packung
1 ST
EAN
8013975121887
Artikelnummer
LOVDM3T0500
Herstellernummer
DM3T0500
Hersteller
LOV
Ausführung:
Durchsteckstromwandler
Primärer Bemessungsstrom In:
500 A
Sekundärer Bemessungsstrom:
5 A
Sekundäre Bemessungsscheinleistung:
5 VA
Öffnungsdurchmesser:
30 mm
Trasformatore di corrente tipo passante, per cavo Ø 30 mm e barre da 40x10 mm, 30x20 mm, 25x25 mm. I trasformatori di corrente serie DM vengono montati in un sistema elettrico per ridurre la corrente di linea ad un valore secondario di 5A compatibile congli ingressi amperometrici dei multimetri digitali o dei relè di protezione. Sono trasformatori di corrente senza avvolgimento primario e vengono normalmente utilizzati per alti valori di corrente primaria. Il numero di passaggi del cavo primario non modifica le caratteristiche di precisione, ma riduce il valore della corrente primaria a parità di corrente secondaria.



