LOVATO - LOVDM4T3000 TRASF. AMP. 3000/5A D86MM PRIM. PASSANTE

Melden Sie sich an, um Preise und Verfügbarkeit anzuzeigen
Haupteigenschaften
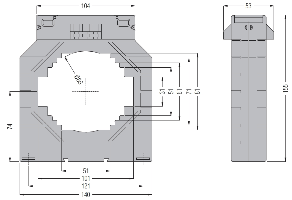
Ausführung - Durchsteckstromwandler
Primärer Bemessungsstrom In - 3000 A
Sekundärer Bemessungsstrom - 5 A
Sekundäre Bemessungsscheinleistung - 45 VA
Öffnungsdurchmesser - 86 mm
Packung
1 ST
EAN
8013975187258
Artikelnummer
LOVDM4T3000
Herstellernummer
DM4T3000
Hersteller
LOV
Ausführung:
Durchsteckstromwandler
Primärer Bemessungsstrom In:
3000 A
Sekundärer Bemessungsstrom:
5 A
Sekundäre Bemessungsscheinleistung:
45 VA
Öffnungsdurchmesser:
86 mm
Trasformatore di corrente tipo passante, per cavo Ø 86 mm e barre da 100x30 mm, 80x50 mm, 70x60 mm. I trasformatori di corrente serie DM vengono montati in un sistema elettrico per ridurre la corrente di linea ad un valore secondario di 5A compatibile con gli ingressi amperometrici dei multimetri digitali o dei relè di protezione. Sono trasformatori di corrente senza avvolgimento primario e vengono normalmente utilizzati per alti valori di corrente primaria. Il numero di passaggi del cavo primario non modifica le caratteristiche di precisione, ma riduce il valore della corrente primaria a parità di corrente secondaria.



