OMRON - OMR8PFA-11351600000 ZOCCOLO-DIN O FRONTEQUAD TERMINALIVITE M

Melden Sie sich an, um Preise und Verfügbarkeit anzuzeigen
Haupteigenschaften
Ausführung des elektrischen Anschlusses - Schraubanschluss
Montageart - Hutschiene TH35
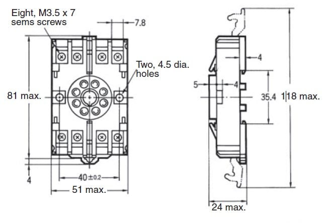
Anzahl der Pins - 8
Breite - 24 mm
Höhe - 81 mm
Packung
1 ST
EAN
4536853722746
Artikelnummer
OMR8PFA-11351600000
Herstellernummer
8PFA-11351600000
Hersteller
OMR
Ausführung des elektrischen Anschlusses:
Schraubanschluss
Montageart:
Hutschiene TH35
Anzahl der Pins:
8
Breite:
24 mm
Höhe:
81 mm
Funktionale Ergänzung möglich:
nein
Mit abnehmbaren Klemmen:
nein
Tiefe:
24 mm
Montaggio DIN o frontequadro, terminali a vite per relè MM2P



