PHOENIX CONTACT - PHC2905908 TRIO-UPS-2G/1AC/1AC/120V/750VA MODULO UP

Melden Sie sich an, um Preise und Verfügbarkeit anzuzeigen
Packung
1 ST
EAN
4055626007397
Artikelnummer
PHC2905908
Herstellernummer
2905908
Hersteller
PHC
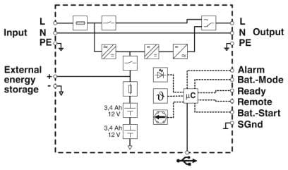
Reibungsloser Übergang durch reine Sinuskurve: im Batteriebetrieb erzeugter Sinus synchron zum vormals speisenden Netz. Platzsparend: USVModul und Energiespeicher in einem Gehäuse vereint. Lange Pufferzeiten mit integriertem VRLA-Energiespeicher, erweiterbar durch weiteren Energiespeicher. USB-Schnittstelle zur Verbindung mit übergeordneten Steuerungen wie z. B. IndustriePCs. Starten aus dem Energiespeicher auch ohne Eingangsnetz möglich.



