PHOENIX CONTACT - PHC2907160 TRIO-UPS-2G/1AC/24DC/5 MODULO PS + UPS

Melden Sie sich an, um Preise und Verfügbarkeit anzuzeigen
Packung
1 ST
EAN
4055626166575
Artikelnummer
PHC2907160
Herstellernummer
2907160
Hersteller
PHC
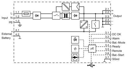
Platzsparend: USVModul und Energiespeicher in einem Gehäuse vereint. Lange Pufferzeiten durch große Auswahl an VRLA-Energiespeichern. USB-Schnittstelle zur Verbindung mit übergeordneten Steuerungen wie z. B. IndustriePCs. Starten aus dem Energiespeicher auch ohne Eingangsnetz möglich. Universelle Einsatzmöglichkeiten durch umfangreiches Zulassungspaket und erweiterten Temperaturbereich. Einfache Installation durch Push-in-Anschlusstechnik.



