PIZZATO ELETTRICA S. - PZZFM 555 INTERRUTTORE DI POSIZIONE A LEVA GIREVOL

Melden Sie sich an, um Preise und Verfügbarkeit anzuzeigen
Haupteigenschaften
Ausführung des Betätigungselements - Rollenhebel verstellbar
Werkstoff des Gehäuses - Metall
Schutzart (IP) - IP67
Ausführung des elektrischen Anschlusses - Kabeleinführung PG
Schaltfunktion - Sprungschaltglied
Packung
1 ST
EAN
8018851024252
Artikelnummer
PZZFM 555
Herstellernummer
FM 555
Hersteller
PZZ
Ausführung des Betätigungselements:
Rollenhebel verstellbar
Werkstoff des Gehäuses:
Metall
Schutzart (IP):
IP67
Ausführung des elektrischen Anschlusses:
Kabeleinführung PG
Schaltfunktion:
Sprungschaltglied
Anzahl der Kontakte als Öffner:
1
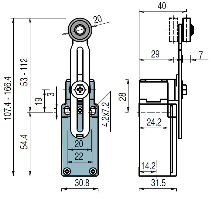
Breite des Sensors:
30.8 mm
Anzahl der Kontakte als Schließer:
1
Länge des Sensors:
31.5 mm
Anzahl der Kontakte als Wechsler:
0
Ausführung der Schnittstelle:
ohne
Höhe des Sensors:
166.4 mm
Explosionsschutz-Kategorie für Staub:
ohne
Gehäusebauform:
Quader
Explosionsschutz-Kategorie für Gas:
ohne
Bemessungsbetriebsstrom Ie bei AC-15, 230 V:
6 A
Bemessungsbetriebsstrom Ie bei DC-13, 24 V:
6 A
Mit Statusanzeige:
nein
Bemessungsbetriebsstrom Ie bei DC-13, 125 V:
1.1 A
Bemessungsbetriebsstrom Ie bei DC-13, 230 V:
0.4 A
Umgebungstemperatur während des Betriebs:
-25...80 °C
Ausführung der Schnittstelle für sicherheitsgerichtete Kommunikation:
ohne
Beschichtung Gehäuse:
pulverbeschichtet
Ein PIZZATO ELETTRICA S. Produkt
Entdecken Sie die PIZZATO ELETTRICA S.-Serie



