Startseite

SICOM SPA - SOL5001500 SIRIO I7 PROF.+COP.TRASP.-2M

KopierenKopieren

Melden Sie sich an, um Preise und Verfügbarkeit anzuzeigen

Haupteigenschaften

  • Art des Zubehörs/Ersatzteils - Profil

Packung

  • 1 ST

EAN

8033564116728

Artikelnummer

SOL5001500

Herstellernummer

5001500

Hersteller

SOL

Art des Zubehörs/Ersatzteils:

Profil

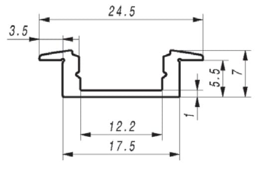
SIRIOprofile I7T / Profilo in alluminio + copertura trasparente - lunghezza 2m. Profilo da incasso con altezza ridotta (solo 7 mm) e diffusore in policarbonato (rimovibile). La copertura è resistente ai raggi UV.