STEEL LINE CMS SRL - SFZ32356 SSD42VA ATTACCO A SOFFITTO DOPPIO

Melden Sie sich an, um Preise und Verfügbarkeit anzuzeigen
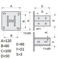
Haupteigenschaften
Geeignet für - U-Profil doppelseitig
Ausführung - Klemmkopfplatte
Winkel - 90...90 °
Werkstoff - Stahl
Oberflächenschutz - bandverzinkt und beschichtet
Packung
1 ST
EAN
8015892323566
Artikelnummer
SFZ32356
Herstellernummer
32356
Hersteller
SFZ
Geeignet für:
U-Profil doppelseitig
Ausführung:
Klemmkopfplatte
Winkel:
90...90 °
Werkstoff:
Stahl
Oberflächenschutz:
bandverzinkt und beschichtet
Geeignet für Deckenmontage:
ja
RAL-Nummer:
5012
LINEA CC/CF La linea CC/CF è certificata secondo la Norma EN 50085-2-1 “Sistemi di canali e condotti per installazioni elettriche per montaggio a parete e soffitto” e secondo la Norma EN 61537 “Sistemi di passerelle portacavi a fondo continuo e a traversini” Lunghezza 3 m - 7 dimensioni altezza 75 e 100 mm e ampia gamma di componenti di interconnessione, Disponibilità di 5 finiture: Sendzimir (S), Verniciato (VA/VG), Acciaio Inox AISI 304 (I), Zincato a caldo (Z) e Zinco Alluminio (ZA) Nervature di irrigidimento che migliorano la resistenza meccanica Coperchi autobloccanti: Raggio di curvatura dei componenti di interconnessione pari a 125 mm Continuità elettrica garantita dal giunto meccanico di collegamento nei corpi e dall’elemento di connessione nei coperchi Massima sicurezza attestata dal marchio IMQ



