WEIDMULLER - WEI1661630000 HDC 64D SBU 2PG29G

Melden Sie sich an, um Preise und Verfügbarkeit anzuzeigen
Haupteigenschaften
Ausführung des Gehäuses - Sockelgehäuse
Werkstoff des Gehäuses - Aluminium
Anordnung der Kabelzuführung - sonstige
Bügellage - Unterteil
Art der Verriegelung - Querbügel
Packung
1 ST
EAN
4008190418182
Artikelnummer
WEI1661630000
Herstellernummer
1661630000
Hersteller
WEI
Ausführung des Gehäuses:
Sockelgehäuse
Werkstoff des Gehäuses:
Aluminium
Anordnung der Kabelzuführung:
sonstige
Bügellage:
Unterteil
Art der Verriegelung:
Querbügel
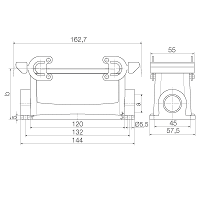
Breite:
57.5 mm
Höhe:
84 mm
Beschichtung Gehäuse:
pulverbeschichtet
Gehäusefarbe:
grau
Werkstoff der Adapterplatte:
Aluminium
Mit Kabelverschraubung:
nein
Befestigungsart der Kabelverschraubung:
PG
Mit Dichtung:
ja
Anzahl der Leitungseinführungen:
2
Betriebstemperatur:
-40...125 °C
EMV-Ausführung:
nein
Korrosionsbeständig:
ja
Schutzart (IP), montiert:
IP65



