AMBIENTE DI TEST / TEST ENVIROMENT

pagina iniziale

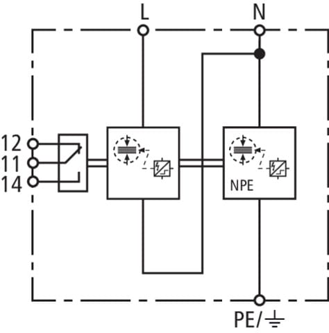
DEHN ITALIA S.P.A. - DEH941116 DEHNSHIELD DSH B TT 2P 255 FM

copiacopia

Accedi per visualizzare prezzi e disponibilità

Caratteristiche principali

  • Numero di poli - 2

  • Corrente impulsiva di fulmine (10/350) - 15 kA

  • Tensione nominale AC - 230 V

  • Tensione massima continuativa AC - 255 V

  • Configurazione di rete DC - no

Confezione

  • 1 PZ

EAN

4013364373235

Codice prodotto

DEH941116

Cod. produttore

941116

Produttore

DEH

Numero di poli:

2

Corrente impulsiva di fulmine (10/350):

15 kA

Tensione nominale AC:

230 V

Tensione massima continuativa AC:

255 V

Configurazione di rete DC:

no

Configurazione di rete TN:

Configurazione di rete TT:

Metodo di montaggio:

Guida DIN 35mm

Livello di protezione L-N:

1.5 kV

Livello di protezione N-PE:

1.5 kV

Capacità di estinzione corrente susseguente AC:

25 kA

Dimensione / Misura:

2 moduli

Max. Sezione conduttore rigido (rigido, semirigido):

35 mm²

Max. Sezione conduttore flessibile (capillare):

25 mm²

Segnalazione a distanza:

Segnalazione su apparecchio:

Ottico

Classe di prova:

Tipo 1 + Tipo 2

Effetto di protezione energetico coordinato per dispositivo terminale:

Grado di protezione (IP):

IP20

Scaricatore combinato multipolare DEHNshield, SPD Tipo 1 + Tipo 2 secondo EN 61643-11 su base spinterometrica. La tecnologia spinterometrica per utilizzo in spazi ristretti con solo 1 unità / polo permette un'esecuzione compatta. Per la protezione di edifici residenziali in caso di ammodernamento o risanamento. Soddisfa tutti i requisiti di CEI 64-8 e DIN VDE 0100-443. Utilizzabile direttamente sul punto di alimentazione dell'impianto elettrico.