OMRON - OMRD4BLK3-134707000 SICUREZZA- FINEC. ACCESS.CHIAVE D4BL REG

Accedi per visualizzare prezzi e disponibilità
Caratteristiche principali
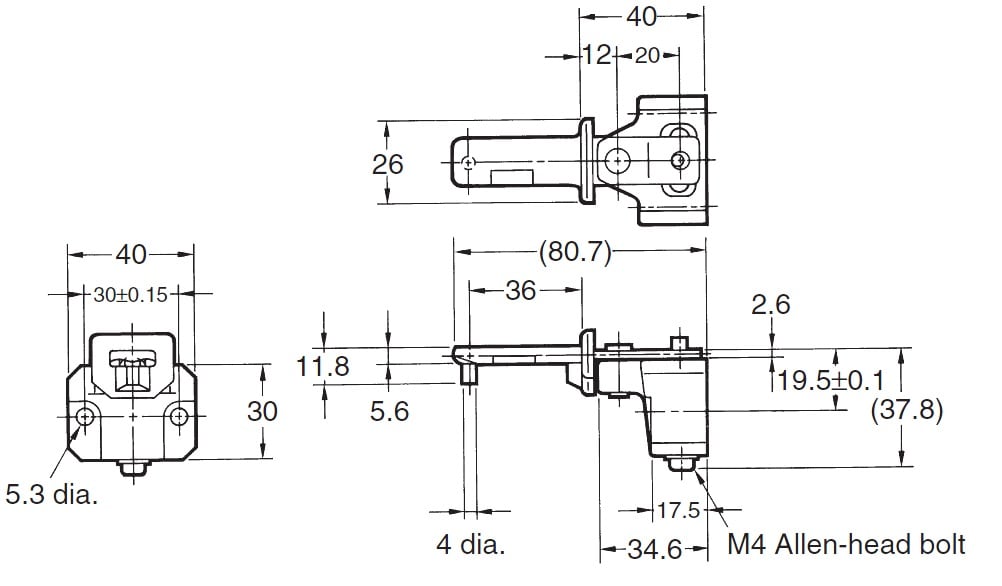
Modello - Attuatore con fissaggio verticale
Confezione
10 PZ
EAN
4536853204426
Codice prodotto
OMRD4BLK3-134707000
Cod. produttore
D4BLK3-134707000
Produttore
OMR
Modello:
Attuatore con fissaggio verticale
Chiave di azionamento tipo regolabile



