PHOENIX CONTACT - PHC2702764 GW MODBUS TCP/RTU 1E/1DB9 CONVERT. SERIA

Accedi per visualizzare prezzi e disponibilità
Confezione
1 PZ
EAN
4055626339313
Codice prodotto
PHC2702764
Cod. produttore
2702764
Produttore
PHC
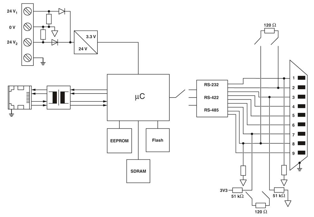
Il GW MODBUS TCP/RTU converte i dati ASCII o Modbus RTU seriali in Modbus TCP. Supporta dispositivi master o dispositivi slave seriali. Comprende una connessione RJ45 e una connessione D-SUB a 9 poli.



