AMBIENTE DI TEST / TEST ENVIROMENT

pagina iniziale

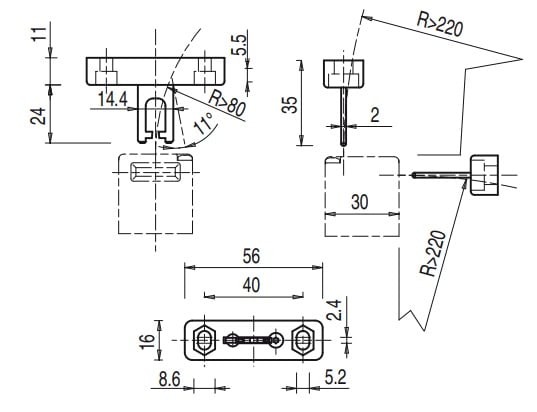
PIZZATO ELETTRICA S. - PZZVF KEYD7 ATTUATORE PER SERIE FR FX FK FW

copiacopia

Accedi per visualizzare prezzi e disponibilità

Confezione

  • 1 PZ

EAN

8018851154737

Codice prodotto

PZZVF KEYD7

Cod. produttore

VF KEYD7

Produttore

PZZ

Attuatore per serie FR-FX-FK-FW. Azionatore regolabile in una direzione in acciaio inox. Azionatore con possibilità di regolazione in una direzione per sportelli di piccole dimensioni.