SICOM SPA - SOL5003170-B SIRIO CORNER BIANCO PROF.+COP.TRASP.-2M

Accedi per visualizzare prezzi e disponibilità
Caratteristiche principali
Tipo di accessorio / ricambio - Profilo
Confezione
1 PZ
EAN
8053904992591
Codice prodotto
SOL5003170-B
Cod. produttore
5003170-B
Produttore
SOL
Tipo di accessorio / ricambio:
Profilo
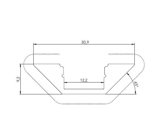
SIRIOprofile Corner Bianco RAL 9010 + copertura trasparente - SIRIO profile Corner ha un angolo di emissione luminosa di 45°. Adatto per essere installato in qualsiasi applicazione ad angolo,viene spesso utilizzato per l’illuminazione LED di sottopensilidi cucine e scaffali. Il profilo in alluminio agisce come dissipatore di calore dei LED. Sono disponibili i relativi accessori, come le testate di chiusura e le staffe di fissaggio, per un finish moderno. Finitura in alluminio anodizzato. Cover in policarbonato trasparente di alta qualità, applicabile ad incastro con un semplice click, resistente ai raggi UV. Dimensione: 2000x30,9x9,2mm.



